特点与用途
Feature and Application
体积小,重量轻,滤波频率范围10kHz~50MHz,广泛应用于各种电子设备,减小电源线的传导发射,提高电路对外界干扰的抵抗能力。
当线路板上有DC/DC模块时,是设备顺利通过GJB151A 标准中CE102的必要保证。
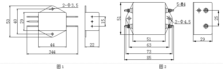
外形尺寸
Case Styles

插入损耗
Insertion Loss

型号定义
Description of Part No.

技术指标
Specifications
额定电压(Rated Voltage):100VDC、200VDC
试验电压(Test Voltage):250VDC、400VDC、1000VDC
线对外壳绝缘电阻(Insulation Resistance): R≥200MW @100VDC
温度范围(Temperature Range): -55°C ~ +85°C
使用指南
User Guide
滤波器的输入/输出连线尽量远离:图(1)为正确连接;图(2)为错误连接。

当滤波器的端接方式为接线螺柱时,接线螺柱上配有紧固附件(螺母、垫片等),安装旋紧螺母时,旋紧扭力矩不得超过1N·m。
说明书下载
|
文件名
|
文件大小
|
文件格式
|
更新日期
|
下载链接
|
|---|