特点与用途
Feature and Application
CDG高性能滤波器的内部采取了隔离结构,因此具有较好的高频滤波特性。可以在10KHz-1GHz的频率范围内有效地滤除电源线上的干扰。
特别适合于设备需要通过GJB151A标准中CE102、RE102、CS106、CS114、CS115和CS116;也特别适合于设备需要通过电源线30MHz~300MHz功率发射试验的场合。
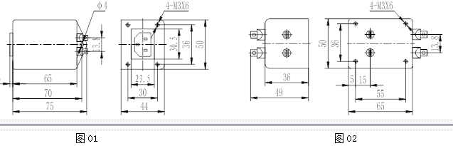
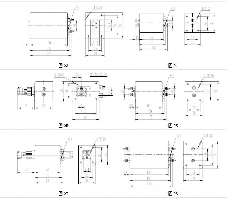
外形尺寸
Case Styles




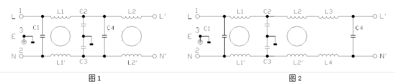
电路原理图
Electrical Schematics

插入损耗
User Guide

型号定义
Description of Part No.

技术指标
Specifications
额定电压(Rated Voltage):115VAC~250VAC
工作频率(Line Frequency): 50/60Hz
试验电压(Test Voltage): 线—地(Line-Ground): 1500VAC 1分钟(min)
线—线(Line-Line): 1500VDC 1分钟(min)
线对外壳绝缘电阻(Insulation Resistance):R≥100MW(在额定电压下测试)
线—地漏电电流(Line-Ground Leakage Current):<2mA(220VAC@50Hz)
温度范围(Temperature Range): -40°C ~ +85°C
使用指南
User Guide
CDG系列滤波器达到预期效能的关键是用金属隔板将滤波器的输入/输出端隔开,因此必须与屏蔽机箱配合起来使用。接插件输入方式的滤波器直接安装在机箱面板上,如图(1);必要时在滤波器与机箱面板之间加装电磁密封衬垫。接线端子输入方式的滤波器可按照下图(2)所示方法使用。如果设备使用本产品后,在500MHz以上的频率仍然不能满足要求,请与我们联系。

当滤波器的端接方式为接线螺柱时,接线螺柱上配有紧固附件(螺母、垫片等),安装旋紧螺母时,旋紧扭力矩不得超过1N·m。
说明书下载
|
文件名
|
文件大小
|
文件格式
|
更新日期
|
下载链接
|
|---|