特点与用途
Feature and Application
该系列馈通滤波器是基于多层陶瓷制造技术的滤波器,体积小,电容量大,有效滤波范围宽(10KHz-1GHz),安装方便,适合15A以下的直流电源线滤波。
产品适用于军用设备、通信设备、自动控制设备、仪器、仪表等的直流电源输入滤波。也可以用于AC/DC或DC/DC模块的直流输出端,使电源模块符合辐射发射要求,减小直流输出上的高次纹波噪声。
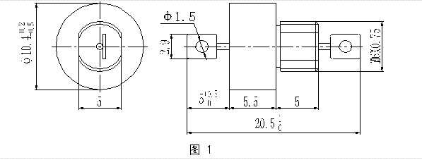
外形尺寸
Case Styles

插入损耗
Insertion Loss

型号定义
Description of Part No.

技术指标
Specifications
额定电压(Rated Voltage):100VDC、200VDC
试验电压(Test Voltage):UR≤100VDC时,2.5UR
UR=200VDC时,1.5UR+100VDC
线对外壳绝缘电阻(Insulation Resistance):R·C≥500MW·μF @100VDC
温度范围(Temperature Range): -55°C ~ +125°C
使用指南
User Guide
ZKT馈通滤波器内芯含有精密陶瓷电容器,在使用时请遵守以下方法以达到预期的效果:
(1)禁止采用焊接的方式将滤波器焊接安装在隔板上,防止温度冲击和过度高温造成内部芯片和结构损坏。
(2)安装时在滤波器与隔板之间加入内齿垫圈,以保证滤波器与隔板的可靠电气连接。
(3)旋紧螺母时,旋紧扭力矩不得超过1.5Nm;
(4)在滤波器的引线焊片头上焊接导线时,遵守以下限制:
使用锡含量为60%~63%的锡铅焊料,焊接时滴加适量助焊剂或使用松香芯焊料,使用25W~30W电烙铁,烙铁头预热温度达到183℃~235℃时(达到焊料熔融状态时)开始焊接,切忌烙铁头低温下长时间接触产品;焊接温度不大于290℃,焊接时间控制在3~5秒。
(5)严禁重力敲打或从高处坠落硬质地面。
说明书下载
|
文件名
|
文件大小
|
文件格式
|
更新日期
|
下载链接
|
|---|