特点与用途
Feature and Application
多路滤波器,体积小,安装方便。可根据用户要求选择不同的滤波特性和路数。
用于穿过屏蔽机箱的直流电源线、信号线滤波,增强线路抗干扰能力,减小干扰发射。广泛应用于仪器、仪表、自动设备、传感器等。
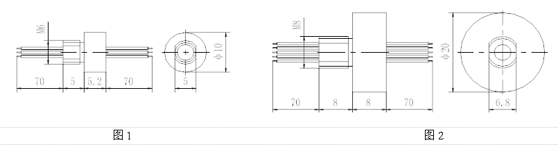
外形尺寸
Case Styles

插入损耗
Insertion Loss

型号定义
Description of Part No.

技术指标
Specifications
额定电压(Rated Voltage):50VDC、100VDC、200VDC
每线额定电流(Rated Current per Lead):1A
试验电压(Test Voltage):2.5倍的额定电压(UR)
线对外壳绝缘电阻(Insulation Resistance): R≥500MW(在额定电压下测试)
温度范围(Temperature Range): -40°C ~ +85°C、 -55°C ~ +85°C
引线长度(Length of Leads):标准70mm,可根据用户要求订制
使用指南
User Guide
(1)圆形滤波器用螺母固定在屏蔽箱的面板上;也可以在面板上开螺纹孔滤波器直接在螺纹孔中拧紧,
无论采取哪一种方式旋转拧紧时,力矩不得超过1.5N·m。
(2)安装时在滤波器与面板之间需加装内齿垫圈,并保持接触面清洁、导电。
(3)如果在圆形滤波器的一侧或两侧加装铁氧体磁环,会大幅度提高滤波性能。铁氧体磁环的内径应恰好穿过导线束。需要提高低频滤波性能时,可以将导线束在磁环上绕1—3匝。
(4)如果需要铁氧体磁环,在采购时可提出要求,磁环与圆形滤波器一同提供。
(5)滤波器的引线为耐高温氟线,需用特殊工具剥离外皮。
说明书下载
|
文件名
|
文件大小
|
文件格式
|
更新日期
|
下载链接
|
|---|